Dualband J-antenne

By ON7GF, 22 August, 2025

Een heel leuke antenne om zelf te bouwen maar daarom niet minder goed werkt is de j-antenne.
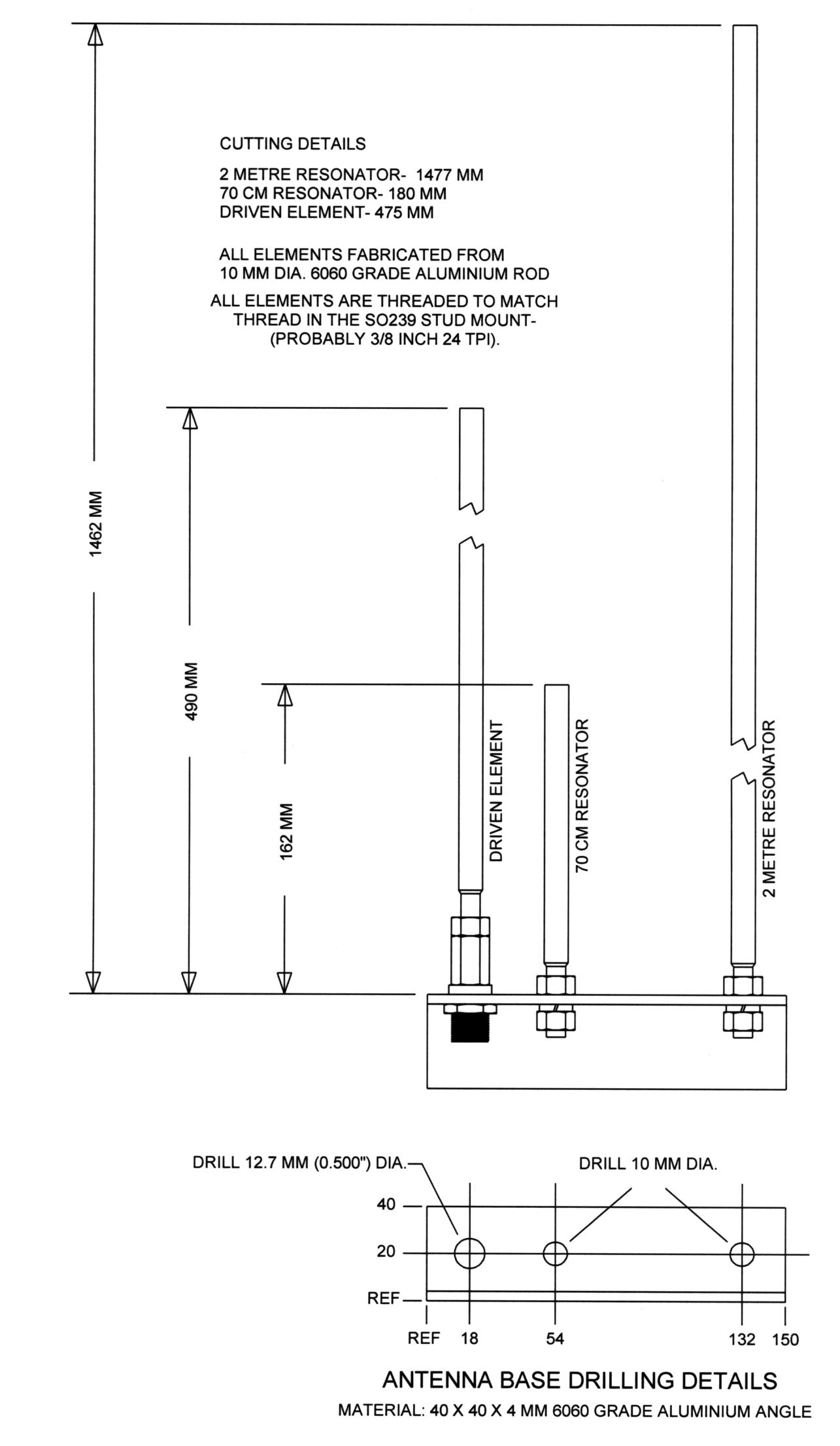
Iets complexer maar nog steeds best te doen is deze dual-band versie, 
meerdere mensen in de club hebben deze reeds met succes gebouwd !

 

jpole